
導讀:隨著大家對系統的重視,越來越多暖通公司在給客戶設計采暖系統時,不再簡單地將壁掛爐和末端連接在一起,而是開始注重系統方案。
在壁掛爐帶地暖的方案中,越來越普遍地用到去耦罐進行去耦,或者通過混水系統進行隔離。很多朋友認為兩者作用類似,并且去耦罐相對成本更低,因此采用去耦方式的很多,那么這兩者方式究竟有何不同呢?

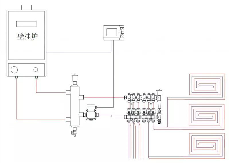
導讀:隨著大家對系統的重視,越來越多暖通公司在給客戶設計采暖系統時,不再簡單地將壁掛爐和末端連接在一起,而是開始注重系統方案。 在壁掛爐帶地暖的方案中,越來越普遍地用到去耦罐進行去耦,或者通過混水系統進行隔離。很多朋友認為兩者作用類似,并且去耦罐相對成本更低,因此采用去耦方式的很多,那么這兩者方式究竟有何不同呢? ◎名詞解釋:去耦和混水 在解答引言中的問題前,我們先來了解一下去耦和混水是什么。這是兩個完全不同的概念,兩者作用完全不同,不可相互替代。 去耦的概念是“消除耦合”,對應去耦罐的作用就是解決系統“耦合”造成的問題,而對應的概念就叫耦合。 所謂耦合,是指兩個事物之間存在相互影響、相互作用的關系,當一個因素變化時必然導致另外一個因素產生對應的變化。 從定義可以看出,耦合在采暖系統中就是熱源與末端之間的相互影響和作用,當這種影響帶來不利的影響時,可以用去耦的方式解決。 在采暖系統中的耦合關系并不局限于一種,主要有流量耦合、功率耦合、水溫耦合、壓差耦合等關系,一個系統設計的復雜性往往是涉及到這些多種耦合關系的原因。 耦合關系對系統的影響,主要體現在末端與熱源之間需求不匹配的沖突,從而導致壁掛爐等熱源工作失常。 熱源壁掛爐需要的工況: 常規壁掛爐是一種針對散熱器高溫度、高溫差、小流量特性而設計的采暖設備,正常情況下其流量特性能夠滿足在15℃~25℃溫差時輸出額定功率。同時,由于燃燒系統特性的限制,其最小輸出功率一般在30%以上,如一臺輸出功率為24kW的壁掛爐,最小輸出功率為7.2kW。 為了及時將這些熱量帶走避免換熱器出水超溫,壁掛爐都有最低流量限制,低于這個流量會出現超溫保護故障,水流大概在200kg~300kg左右。此外,由于內置水泵的功率限制和換熱器管道等阻力的限制,壁掛爐的最大輸出流量也是有限的,比如24kW的壁掛爐通常水流最大在700kg~1000kg左右。 散熱器采暖系統需要的工況: 對于散熱器來說,由于工作在高溫差、小流量的情況下,水溫越高越好,壁掛爐75℃~85℃的水溫是很合適散熱器的。 通常每臺散熱器需要的流量只有幾十千克到一百多千克,因此一臺壁掛爐帶上十來組散熱器是沒有問題的,實際流量在進行系統平衡調試的時候會由溫控閥進行調節。 地暖采暖系統需要的工況: 地暖更適合低溫水,一般在35℃~45℃即可,溫差較小,只有5℃~10℃,所以相對來說,對流量的要求更大。 對于地暖來說,常用的“20管道”理論上每根管道流量在180kg左右比較合適,每120m2大概需要1t流量,如果采暖面積更大,則流量也需要更大,甚至會超出壁掛爐的供水能力,導致雖然功率足夠但是地暖采暖依舊不熱。 壁掛爐和末端耦合狀態下的工況: 由上圖可以看出,壁掛爐的出水通過管道直接供給到末端散熱器。這時候,由于整個采暖系統是一個相對封閉的系統,壁掛爐的流量等于末端所有散熱器的總流量之和,如果散熱器部分關閉或者通過恒溫閥的自動調節作用導致其流量變化,則壁掛爐流量隨著變化。 這樣將導致兩個問題: 第一,如果末端因為開關調節等原因導致流量降低,壁掛爐流量將隨之降低,當流量低于最低流量后導致壁掛爐不能正常工作,或者雖然能工作但頻繁啟停,運行效率大幅度降低。 第二,當末端需要的流量大于壁掛爐供給能力時,壁掛爐無法滿足末端流量需求,會導致末端散熱器沒有足夠流量而無法正常工作。 從以上分析可以看出,因為壁掛爐和末端具有流量耦合關系,導致壁掛爐工況受到末端工況變化的影響,可能導致壁掛爐無法正常工作,或者末端受壁掛爐流量影響只能承受較小面積的采暖。 ◎如何解決流量需求不同的矛盾? 去耦,就是解決這個問題的。 要解決這個問題,我們可以在壁掛爐和末端之間設置一個去耦罐,二次側再增加一個循環泵,就構成二次系統。 去耦罐就是一個較粗的連通器,在正常過流情況下,一次側和二次側兩邊的進回水端口壓差都接近于零,于是壁掛爐和去耦罐形成一個一次水流循環系統,去耦罐和末端形成二次水流循環系統。這樣一來,壁掛爐的水流經過去耦罐直接回到回水中,其流量不受二次側流量需求和變化的影響。同樣,二次側需要的流量由獨立的水泵驅動,經過去耦罐后直接構成循環,這也和一次側流量沒有關系,兩者互不影響,也就是將相互影響的耦合關系消除了,故稱之為去耦。 當壁掛爐采暖系統中采用去耦罐后,可以解決兩者對水流需求不同的矛盾,帶來的好處是無論末端流量大或者小,壁掛爐不會出現“供血”不足或者由于流量過小熄火罷工。也正是這個好處,讓去耦罐在壁掛爐采暖中得以大放光彩,甚至成了“萬能靈藥”,好像只要在壁掛爐采暖中加上一個去耦罐,就是在給客戶做系統了。 需要明確的是,工況的匹配不僅僅只有流量問題,還有溫度耦合造成的問題以及功率失衡造成的問題沒有解決。 對于溫度問題,很多人表示壁掛爐可以設定水溫35℃~85℃,因此可以直接將水溫設定到低溫區域即可,然而事實上,對于普通壁掛爐來說并不合適長期低溫運行。 因為回水溫度低于55℃的時候將會導致換熱器表面結露,產生冷凝水,從而腐蝕換熱器和燃燒器,這種情況造成壁掛爐損壞和壽命降低的案例很多,因此常規壁掛爐對于水溫的要求是高溫供水,并且回水溫度不要低于55℃是最好的。 還有朋友認為,對于地暖末端來說,采暖面積大的時候可以通過在去耦罐后面增加一個更大的水泵,讓流量增加,并且當二次流量比較大的時候,回水將與進水混水,從而具有混水降溫的作用,這樣也可以解決壁掛爐水溫高而地暖需要水溫低的問題。 這個說法沒錯,但是不夠全面。 如果二次流量一直大于一次流量,那么確實可以通過混水方式降低二次供水溫度,但問題在于這種水溫是不可控的。 二次水溫隨著一次水溫和二次回水溫度及二次流量而改變,當二次流量小于一次流量時,一次供水的高溫直接進入地暖管道,造成地暖超溫帶來安全隱患,因此去耦罐雖然在某種特定情況下可以混水降溫,但是并不能被當作混水降溫裝置來解決水溫不匹配的問題。 另外還有一個問題是,壁掛爐的最小功率很可能大于末端散熱量,因此壁掛爐實際工作時必然是在間斷啟停狀態下的。 這意味著壁掛爐本身供水溫度是不穩定的,這種不穩定的水溫也會同步傳遞到二次側,導致二次水溫上下波動,以致于管道和分水器、連接件等頻繁熱脹冷縮,最終帶來漏水隱患。 從上面的分析可以看出,在壁掛爐和地暖之間加上去耦罐并不能解決兩者之間關于溫度和負荷的矛盾。也就是說,去耦罐只能對流量矛盾去耦脫敏,卻無法對水溫和負荷問題去耦脫敏,并不是一個合理的解決之道。 ◎簡單采用混水裝置所帶來的問題 說完了去耦罐,再說說混水裝置。 混水裝置是一種通過將二次相對較低溫度的回水與一次高溫進水進行混合,從而獲得需要的二次供水溫度的裝置,其核心作用是對“水溫”進行去耦脫敏,讓壁掛爐可以在高溫狀態工作,地暖在適合的低溫狀態工作。 那么,是否在壁掛爐和地暖之間安裝一個混水裝置就可以實現系統合理呢? 上圖是一個實測的運行狀態圖,25分鐘之前是安裝普通三通混水裝置,從圖中可以看到,加裝混水裝置之后可以設定二次水溫,但壁掛爐工作狀態不穩定,一次回水溫度低的時候周在40℃左右;25分鐘之后將混水設置在壁掛爐混水模式下,系統工作很穩定,壁掛爐在均勻的啟停工作,高溫供水回水的溫度也相對較高,而地暖的供回水溫度都較低,同時滿足兩者對水溫的需求。 但是如果簡單的采用這種方式也會帶來兩個嚴重問題: 第一,通過混水裝置供應地暖時,如果地暖需要的散熱量較小,混水只從壁掛爐索取少量的高溫水即可滿足對功率的需求,則必然導致壁掛爐流量更低,造成壁掛爐的工作異常,上圖中的前面部分狀態就是這樣的。 第二,采用混水裝置之后,地暖回水直接進入壁掛爐中,而由于地暖回水溫度較低,一般遠遠低于55℃的結露點,因此壁掛爐必然工作在高溫輸出供水、低溫回水的狀態,并不能滿足壁掛爐對回水溫度的需求。 ◎如何同時解決上述問題? 當然,現在已經有人采用在去耦罐之后加混水裝置的方式,同時解決流量去耦和溫度去耦的問題。這種方式是可行的,一部分高溫水將通過去耦罐回到壁掛爐,與混水裝置的低溫回水混合,從而提高了壁掛爐回水溫度,滿足壁掛爐對水溫的需求。 不過這種方案的問題在于成本較高。 另外一種方式就是采用壁掛爐專用的混水裝置,壁掛爐出水在滿足混水裝置需求的同時,有控制地讓一部分高溫水直接進入回水,從而提高壁掛爐回水溫度,實現解決上述問題的目的。 上面這個方案中還有一個問題沒有得到解決,那就是功率匹配問題。 如果想要真正地解決功率的匹配問題,最好的方式是增加一個蓄能水箱,將水溫作為壁掛爐的負荷,同時水箱也是末端的熱源,這樣一來,末端需要多少熱量從水箱中取得即可,壁掛爐工作的時候可以穩定工作。 但是這也會帶來一個問題,就是很多情況下用戶家里沒有充足的地方去安裝水箱,或者是用戶不愿意掏錢買水箱。不過對地暖來說,可以利用地暖本身的蓄熱能力進行緩沖,使那些暫時用不了的熱量存儲在蓄熱層中。從這個角度來說,濕式地暖更容易做得比較穩定、節能。 對于散熱器來說,選擇容水量更大的散熱器,會減少壁掛爐的頻繁啟停,也是有利于系統的穩定運行和節能的。 總結: 去耦罐的方式雖然應用很多,但對于普通地暖來說也不是“萬能靈藥”,相對而言從壁掛爐專用混水裝置能夠同時解決水流去耦和溫度去耦的問題,個人更為推薦。 http://www.bjhscch.com.cn/









